Цилиндрические двухступенчатые мотор-редукторы 1МЦ2С, 1МЦ2С-63Н, 1МЦ2С-80Н, 1МЦ2С-100Н, 1МЦ2С-125Н

Цилиндрические мотор редукторы 1МЦ2С, 1МЦ2С-63Н, 1МЦ2С-80Н, 1МЦ2С-100Н, 1МЦ2С-125Н изготовлены по соосной схеме с применением зацепления Новикова. Привода являются агрегатами общего назначения и могут применяться в производство любого направления. По своим конструктивным и техническим характеристикам мотор редукторы 1МЦ2С идентичны 4МЦ2С и могут заменять их в случае необходимости. Имеется возможность вращения выходного вала в обоих направлениях. Допускается эксплуатация в сложных условиях в температурном режиме от -40C до +50С. Корпус редуктора изготовлен из алюминия или чугуна и окрашен специальным лаком, защищающим его от агрессивного воздействия внешней среды. Применяются мотор-редукторы в различных сферах промышленности: металлургия, машиностроение, добыча полезных ископаемых и сельское хозяйство. Для удобства при монтаже имеются два варианта крепления опорный фланец со стороны выходного вала или литые лапы в нише корпуса. При соблюдении технических требований цилиндрический мотор редуктор 1МЦ2С может работать до 24 часа в сутки. Смазка цилиндрических пар осуществляется трансмиссионным маслом марки трансол 200.
Цена: от 12 800 руб.
Базовые условия использования цилиндрических мотор-редукторов:
- Мотор-редукторы работают от сети 50/60Гц (220/380В);
- Продолжительность работы до 24 часов в сутки, с перерывами – 8 часов;
- Мотор-редуктор реверсивный;
- Особенности внешней среды использования оборудования: невзрывоопасная, концентрация непроводящей пыли меньше 10 мг/м.куб.;
- Климатические типы исполнения мотор-редукторов: «У» - категория размещения 3 (температура воздуха от -40°С до +40°С, применение в закрытых помещениях, имеющих естественную вентиляцию, отсутствие искусственно регулируемых климатич. условий), а также исполнение «Т» - категория размещения 2 (температура -10°С - +45°С, использование в помещении);
- Максимальная высота над уровнем моря не превышает 1000 метров;
Примечание: Работа мотор-редуктора 1МЦ2С в комплексе с грузоподъемными установками не допускается.
Общее описание:


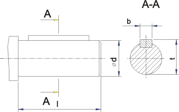
РИС 1. Габаритные и присоединительные размеры (исполнение на лапах)

|
Обозначение мотор-редуктора |
Частота вращения вых. вала, об/мин |
L |
B |
H |
l |
l1 |
l2 |
l3 |
l4 |
b |
b1 |
b2 |
d |
d1 |
h |
h1 |
t |
|---|---|---|---|---|---|---|---|---|---|---|---|---|---|---|---|---|---|
|
не более |
|||||||||||||||||
|
1МЦ2С-63Н |
28...71 |
465 |
200 |
265 |
60 |
48 |
110 |
15 |
160 |
8 |
185 |
150 |
28k6 |
12 |
140 |
16 |
31 |
|
90 |
490 |
200 |
265 |
||||||||||||||
|
112...180 |
515 |
250 |
275 |
||||||||||||||
|
1МЦ2С-80Н |
28; 35,5; 45; 56 |
547 |
200 |
305 |
80 |
75 |
115 |
20 |
175 |
10 |
220 |
180 |
35k6 |
15 |
170 |
18 |
38 |
|
71...160 |
601 |
250 |
317 |
||||||||||||||
|
1МЦ2С-100Н |
28...90 |
675 |
260 |
377 |
110 |
102 |
130 |
20 |
195 |
14 |
255 |
210 |
45k6 |
15 |
212 |
22 |
48,5 |
ТАБЛ 1. Габаритные и присоединительные размеры
Технические характеристики
|
Наименование мотор-редуктора |
Номинальная частота вращения вых. вала, об/мин |
Номинальный крутящий момент на выходном валу, Нм |
Масса, кг |
h редукторной части |
Двигатель |
|
|---|---|---|---|---|---|---|
|
Тип |
Мощность, кВт |
|||||
|
1МЦ2С-63Н |
28 |
112 |
27 |
62 |
АИР71А6 |
0,37 |
|
160 |
66 |
АИР71В6 |
0,55 |
|||
|
35,5 |
140 |
|||||
|
170 |
29 |
АИР80А6 |
0,75 |
|||
|
45 |
106 |
27 |
АИР71В4 |
0,55 |
||
|
140 |
29 |
67 |
АИР80В4 |
0,75 |
||
|
56 |
132 |
27 |
72 |
АИР71В4 |
0,75 |
|
|
170 |
30 |
АИР80А4 |
1,1 |
|||
|
71 |
100 |
27 |
АИР71В4 |
0,75 |
||
|
140 |
30 |
АИР80А4 |
1,1 |
|||
|
90 |
118 |
|||||
|
150 |
32 |
74 |
АИР80В4 |
1,5 |
||
|
112 |
118 |
|||||
|
170 |
38 |
77 |
АИР90L4 |
2,2 |
||
|
140 |
95 |
32 |
74 |
АИР80В4 |
1,5 |
|
|
140 |
33 |
77 |
АИР90L4 |
2,2 |
||
|
180 |
80 |
32 |
74 |
АИР80В4 |
1,5 |
|
|
112 |
38 |
АИР90L4 |
2,2 |
|||
|
1МЦ2С-80Н |
28 |
236 |
37 |
67 |
АИР80А6 |
0,75 |
|
335 |
41 |
71 |
АИР80В6 |
1,1 |
||
|
35,5 |
180 |
37 |
67 |
АИР80А6 |
0,75 |
|
|
265 |
41 |
71 |
АИР80В6 |
1,1 |
||
|
45 |
224 |
|||||
|
300 |
45 |
72 |
АИР90L6 |
1,5 |
||
|
56 |
250 |
41 |
74 |
АИР80Â4 |
1,5 |
|
|
355 |
46 |
77 |
АИР90L4 |
2,2 |
||
|
71 |
280 |
|||||
|
355 |
51 |
78 |
АИР100S4 |
3,0 |
||
|
90 |
236 |
46 |
77 |
АИР90L4 |
2,2 |
|
|
335 |
51 |
78 |
АИР100S4 |
3,0 |
||
|
112 |
180 |
46 |
77 |
АИР90L4 |
2,2 |
|
|
236 |
51 |
78 |
АИР100S4 |
3,0 |
||
|
315 |
57 |
81 |
АИР100L4 |
4,0 |
||
|
140 |
200 |
51 |
78 |
АИР100S4 |
3,0 |
|
|
265 |
57 |
81 |
АИР100L4 |
4,0 |
||
|
180 |
160 |
51 |
78 |
АИР100L4 |
3,0 |
|
|
212 |
57 |
81 |
АИР100L4 |
4,0 |
||
|
1МЦ2С-100Н |
28 |
522 |
70 |
71 |
АИР100L8СВ |
1,5 |
|
35,5 |
550 |
77 |
79 |
АИР100L6СВ |
2,2 |
|
|
45 |
455 |
74 |
79 |
АИР100L6СВ |
2,2 |
|
|
56 |
514 |
73 |
80 |
АИР100S4СВ |
3,0 |
|
|
71 |
553 |
80 |
82 |
АИР100L4СВ |
4,0 |
|
|
90 |
422 |
80 |
82 |
АИР100L4 |
4,0 |
|
Пример условного обозначения при заказе
Мотор-редуктор 1МЦ2С-100Н-56-110УЗ, 380 В, где:
1МЦ2С - тип мотор-редуктора
100 - межосевое расстояние
Н - с зацеплением Новикова
56 - частота вращения выходного вала, об/мин
G110 - крепление лапы
У3 - климатическое исполнение (У) и категория размещения (3)
380В - номинальное напряжение сети переменного тока