Коммуникационный модуль LOGO! CM

Коммуникационный модуль LOGO!CM, общие характеристики 3RK1400-0CE10-0AA2:
Все оборудование, относящееся к семейству LOGО!, выполнено в надежных износостойких корпусах. Коммуникационный модуль LOGO!CM - не стал исключением, технологическое решение корпуса позволяет оперативно и беспроблемно осуществлять монтаж на DIN шины. Габариты устройства составляют: 36 х 52 х 90мм, уровень защиты - IP20.
- Параметры питания = 24В;
- Функции ведомого устройства через AS-Interface;
- Количество виртуальных дискретных входов: 4;
- Количество виртуальных дискретных выходов: 4;
- Гальваническое разделение цепей с позиции входного участка внутренней шины.
Цена: по запросу заказчика
Общее описание


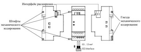
Все оборудование, относящееся к семейству LOGО!, выполнено в надежных износостойких корпусах. Модификация СМ - не стала исключением, технологическое решение ее корпуса позволяет оперативно и беспроблемно осуществлять монтаж на DIN шины. Габариты устройства составляют: 36 х 52 х 90мм, уровень защиты - IP20. За счет наличия световых элементов, достигается своевременный контроль за состоянием прибора и степенью его эффективности в каждый конкретный момент времени. На корпусе также расположены:
- Кодировочные штифты/пазы
- Гнезда, использующиеся для подключения AS-Interface
- Клеммы для AS-Interface
- Ползунок, активирующий рабочее положение шины
- Индикаторы типа RUN/STOP
- Датчик AS-i
- Интерфейс для модулей расширения
Особенности схемы и возможности подключения модулей расширения к LOGO!СМ

Расшифровка нижеприведенных обозначений:
- «х» - подключение приемлемо,
- «-» - подключить нельзя.

Специфика монтажа модуля LOGO!СМ

Поэтапный монтаж на DIN-рейку:
1. На первом этапе осуществления монтажных работ следует навесить модуль на рейку;
2. Путем нажимания на нижнюю часть, срабатывает специальная защелка модуля, выполняется надежная его фиксация (защелка расположена на задней части прибора);
3. С правой стороны модуля находится крышка разъема, которую необходимо снять;
4. С правой стороны от LOGO!Basic помещается модуль на DIN-рейку;
5. Перемещаем модуль в левую сторону таким образом, чтобы последний контактировал с LOGO!Basic;
6. Посредством отвертки защелка отодвигается влево, после чего она должна занять крайнее левое положение.
Монтаж дополнительного оборудования выполняется путем поэтапного повторения всех пунктов, относящихся к монтажу цифрового модуля.
Поэтапный монтаж на стену:
Аккуратно переместите монтажные защелки наружу, как правило, они расположены на задней стенки устройства. Непосредственно монтаж модуля выполняется при помощи двух монтажных защелок и двух винтов ØM4 (момент затяжки 0,8-1,2Нм).
Технические характеристики LOGO!СМ:
|
Механические данные: |
|
|---|---|
|
Размеры (ШxВxГ) |
36x90x58мм |
|
Блок питания: |
|
|
Параметры входного напряжения |
24В (ток постоянный) |
|
Допустимый диапазон |
19,2...28,8В (ток постоянный) |
|
Защита от обратной полярности |
Высокая эффективность |
|
Общая степень потребления тока |
Itot max 70мА |
|
Соединительные элементы: |
|
|
Цифровые входы (I) |
Следующие 4 входа после физических входов LOGO! (In ... In+3) |
|
Цифровые выходы (Q) |
Следующие 4 выхода после физических выходов LOGO! (Qn ... Qn+3) |
|
Конфигурация входов/выходов (hex) |
7 |
|
Код ID (hex) |
F |
|
Код ID1 (hex) |
F (по умолчанию, переменный из диапазона 0...F) |
|
Код ID2 (hex) |
F |
|
Подключение к шине |
AS interface согласно спецификации |
|
Климатические условия окружающей среды: |
|
|
Условия окружающей среды в период эксплуатации |
0°C...+55°C |
|
Температура хранения |
– 40°C...+70°C |
|
Электрическая безопасность: |
|
|
Электрические данные |
Согласно спецификации AS interface |
|
Род защиты |
IP20 |
|
Подавление помех |
Класс граничных значений A |
|
Допуски к эксплуатации |
IEC 61131–2, |