Электродвигатели Siemens типа AOM

Компания Евроредуктор доказала, что категория «электродвигатель-цена» далеко не всегда является прямопропорциональным показателем качества оборудования. Мы предлагаем долговечные и надежные установки по низким ценам. Электродвигатели Siemens серии AOM, AVM, AKM противовзрывного исполнения (EExdIICT4) производятся мощностью от 0,25кВт до 37кВт и габаритами от 71 до 200. Электродвигатели Siemens AOM – надежное оборудование, качество которого обусловлено применением при производстве исключительно проверенного и актуального для данной сферы промышленности материала. В силу того, что электродвигатели выпускаются с учетом норм и требований противовзрывных положений EExdIICT4, они могут использоваться в условиях повышенной опасности. Коэффициент полезного действия может составлять от 64% до 92,2%. Стоит отметить простой принцип управления электродвигателями и неприхотливость в обслуживании. Такая особенность значительно облегчает задачи оператора. Все электродвигатели имеют гарантию, что говорит о высоком качестве продукции и добросовестном отношении производителя к пользователям своей продукции.
Цена: по запросу заказчика
Общее описание:

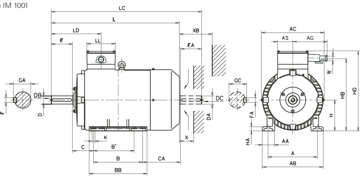
РИС 1. Габаритные и присоединительные размеры электродвигателя AOM с 71 по 200 габарит (лапы)
|
Габарит |
A |
AA |
AB |
AC |
AG |
AS |
B |
B? |
BB |
C |
CA |
H |
HA |
HB |
HD |
K |
L |
LC |
|---|---|---|---|---|---|---|---|---|---|---|---|---|---|---|---|---|---|---|
|
71MK,.M |
112 |
31 |
135 |
142 |
130 |
50 |
90 |
- |
107 |
45 |
85 |
71 |
8 |
199 |
242 |
7 |
245 |
280 |
|
80MK,M |
125 |
33 |
155 |
158 |
130 |
50 |
100 |
- |
125 |
50 |
95 |
80 |
9 |
224 |
264 |
9 |
278 |
325 |
|
90LK,L |
140 |
40 |
170 |
180 |
130 |
50 |
125 |
- |
150 |
56 |
134 |
90 |
12 |
242 |
282 |
11 |
355 |
415 |
|
100LK,L |
160 |
40 |
200 |
200 |
130 |
50 |
140 |
- |
175 |
63 |
145 |
100 |
12 |
265 |
305 |
13 |
397 |
468 |
|
112M |
190 |
50 |
230 |
242 |
165 |
74 |
140 |
- |
180 |
70 |
185 |
112 |
15 |
288 |
335 |
13 |
445 |
515 |
|
132S |
216 |
55 |
260 |
290 |
165 |
74 |
140 |
- |
180 |
89 |
204 |
132 |
17 |
330 |
377 |
13 |
501 |
593 |
|
132M |
216 |
55 |
260 |
290 |
165 |
74 |
178 |
140 |
218 |
89 |
204 |
132 |
17 |
330 |
377 |
13 |
539 |
631 |
|
160M |
254 |
63 |
314 |
328 |
200 |
80 |
210 |
- |
254 |
108 |
204 |
160 |
22 |
370 |
455 |
15 |
613 |
742 |
|
160L |
254 |
63 |
314 |
328 |
200 |
80 |
254 |
210 |
298 |
108 |
204 |
160 |
22 |
370 |
455 |
15 |
657 |
786 |
|
180M |
279 |
66 |
342 |
364 |
205 |
95 |
241 |
- |
322 |
121 |
252 |
180 |
22 |
420 |
486 |
15 |
705 |
834 |
|
180L |
279 |
66 |
342 |
364 |
205 |
95 |
279 |
241 |
322 |
121 |
214 |
180 |
22 |
420 |
486 |
15 |
705 |
834 |
|
200LK,L |
318 |
80 |
392 |
405 |
240 |
105 |
305 |
- |
385 |
133 |
245 |
200 |
28 |
460 |
538 |
19 |
780 |
903 |
ТАБЛИЦА 1.
|
Габарит |
LD |
LL |
W |
X |
XB |
D |
DB |
DC |
E |
GA |
F |
DA |
EA |
GC |
FA |
|---|---|---|---|---|---|---|---|---|---|---|---|---|---|---|---|
|
71MK,.M |
122 |
100 |
50 |
80 |
14K6 |
M5 |
M5 |
30 |
16 |
5h9 |
14k6 |
30 |
16 |
5h9 |
|
|
80MK,M |
126 |
100 |
50 |
80 |
19K6 |
M8 |
M8 |
40 |
21.5 |
6h9 |
19k6 |
40 |
21.5 |
6h9 |
|
|
90LK,L |
147 |
100 |
50 |
100 |
24K6 |
M8 |
M8 |
50 |
27 |
8h9 |
24k6 |
50 |
27 |
8h9 |
|
|
100LK,L |
157 |
100 |
50 |
100 |
28K6 |
M10 |
M10 |
60 |
31 |
8h9 |
28k6 |
60 |
31 |
8h9 |
|
|
112M |
196 |
147 |
55 |
130 |
28K6 |
M10 |
M10 |
60 |
31 |
8h9 |
28k6 |
60 |
31 |
8h9 |
|
|
132S |
222 |
147 |
55 |
130 |
38K6 |
M12 |
M12 |
80 |
41 |
10h9 |
38k6 |
80 |
41 |
10h9 |
|
|
132M |
222 |
147 |
55 |
130 |
38K6 |
M12 |
M12 |
80 |
41 |
10h9 |
38k6 |
80 |
41 |
10h9 |
|
|
160M |
280 |
160 |
60 |
150 |
42K6 |
M16 |
M16 |
110 |
45 |
12h9 |
42k6 |
110 |
45 |
12h9 |
|
|
160L |
280 |
160 |
60 |
150 |
42K6 |
M16 |
M16 |
110 |
45 |
12h9 |
42k6 |
110 |
45 |
12h9 |
|
|
180M |
302 |
190 |
70 |
150 |
48K6 |
M16 |
M16 |
110 |
51.5 |
14h9 |
48k6 |
110 |
51.5 |
14h9 |
|
|
180L |
302 |
190 |
70 |
150 |
48K6 |
M16 |
M16 |
110 |
51.5 |
14h9 |
48k6 |
110 |
51.5 |
14h9 |
|
|
200LK,L |
306 |
210 |
80 |
165 |
55m6 |
M20 |
M20 |
110 |
59 |
16h9 |
55m6 |
110 |
59 |
16h9 |
ТАБЛИЦА 2.

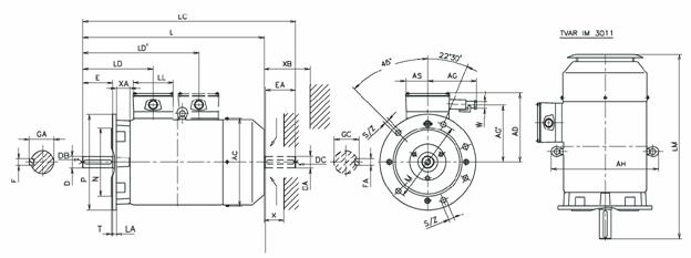
РИС 2. Габаритные и присоединительные размеры электродвигателя AKM с 71 по 200 габарит (фланец)
|
Габарит |
A |
AA |
AB |
AC |
AG |
AS |
B |
B? |
BB |
C |
CA |
H |
HA |
HB |
HD |
K |
L |
LC |
|---|---|---|---|---|---|---|---|---|---|---|---|---|---|---|---|---|---|---|
|
71MK,.M |
112 |
31 |
135 |
142 |
130 |
50 |
90 |
- |
107 |
45 |
85 |
71 |
8 |
199 |
242 |
7 |
245 |
280 |
|
80MK,M |
125 |
33 |
155 |
158 |
130 |
50 |
100 |
- |
125 |
50 |
95 |
80 |
9 |
224 |
264 |
9 |
278 |
325 |
|
90LK,L |
140 |
40 |
170 |
180 |
130 |
50 |
125 |
- |
150 |
56 |
134 |
90 |
12 |
242 |
282 |
11 |
355 |
415 |
|
100LK,L |
160 |
40 |
200 |
200 |
130 |
50 |
140 |
- |
175 |
63 |
145 |
100 |
12 |
265 |
305 |
13 |
397 |
468 |
|
112M |
190 |
50 |
230 |
242 |
165 |
74 |
140 |
- |
180 |
70 |
185 |
112 |
15 |
288 |
335 |
13 |
445 |
515 |
|
132S |
216 |
55 |
260 |
290 |
165 |
74 |
140 |
- |
180 |
89 |
204 |
132 |
17 |
330 |
377 |
13 |
501 |
593 |
|
132M |
216 |
55 |
260 |
290 |
165 |
74 |
178 |
140 |
218 |
89 |
204 |
132 |
17 |
330 |
377 |
13 |
539 |
631 |
|
160M |
254 |
63 |
314 |
328 |
200 |
80 |
210 |
- |
254 |
108 |
204 |
160 |
22 |
370 |
455 |
15 |
613 |
742 |
|
160L |
254 |
63 |
314 |
328 |
200 |
80 |
254 |
210 |
298 |
108 |
204 |
160 |
22 |
370 |
455 |
15 |
657 |
786 |
|
180M |
279 |
66 |
342 |
364 |
205 |
95 |
241 |
- |
322 |
121 |
252 |
180 |
22 |
420 |
486 |
15 |
705 |
834 |
|
180L |
279 |
66 |
342 |
364 |
205 |
95 |
279 |
241 |
322 |
121 |
214 |
180 |
22 |
420 |
486 |
15 |
705 |
834 |
|
200LK,L |
318 |
80 |
392 |
405 |
240 |
105 |
305 |
- |
385 |
133 |
245 |
200 |
28 |
460 |
538 |
19 |
780 |
903 |
ТАБЛИЦА 3.
|
Габарит |
LL |
M |
N |
P |
S |
Z |
T |
LA |
XA |
W |
X |
XB |
D |
DB |
E |
GA |
F |
DA |
EA |
GC |
FA |
|---|---|---|---|---|---|---|---|---|---|---|---|---|---|---|---|---|---|---|---|---|---|
|
71MK,.M |
100 |
130 |
110J6 |
160 |
10 |
4 |
3.5 |
8 |
15 |
|
50 |
80 |
14k6 |
M5 |
30 |
16 |
5h9 |
14k6 |
30 |
16 |
5h9 |
|
80MK,M |
100 |
165 |
130J6 |
200 |
12 |
4 |
3.5 |
10 |
25 |
|
50 |
80 |
19k6 |
M8 |
40 |
21.5 |
6h9 |
19k6 |
40 |
21.5 |
6h9 |
|
90LK,L |
100 |
165 |
130J6 |
200 |
12 |
4 |
3.5 |
10 |
15 |
50 |
100 |
24k6 |
M8 |
50 |
27 |
8h9 |
24k6 |
50 |
27 |
8h9 |
|
|
100LK,L |
100 |
215 |
180J6 |
250 |
15 |
4 |
4 |
11 |
30 |
|
50 |
100 |
28k6 |
M10 |
60 |
31 |
8h9 |
28k6 |
60 |
31 |
8h9 |
|
112M |
147 |
215 |
180J6 |
250 |
15 |
4 |
4 |
11 |
15 |
|
55 |
130 |
28k6 |
M10 |
60 |
31 |
8h9 |
28k6 |
60 |
31 |
8h9 |
|
132S |
147 |
265 |
230J6 |
300 |
15 |
4 |
4 |
14 |
40 |
|
55 |
130 |
38k6 |
M12 |
80 |
41 |
10h9 |
38k6 |
80 |
41 |
10h9 |
|
132M |
147 |
265 |
230J6 |
300 |
15 |
4 |
4 |
14 |
40 |
|
55 |
130 |
38k6 |
M12 |
80 |
41 |
10h9 |
38k6 |
80 |
41 |
10h9 |
|
160M |
160 |
300 |
250h6 |
350 |
19 |
4 |
5 |
13 |
32 |
|
60 |
150 |
42k6 |
M16 |
110 |
45 |
12h9 |
42k6 |
110 |
45 |
12h9 |
|
160L |
160 |
300 |
250h6 |
350 |
19 |
4 |
5 |
13 |
32 |
|
60 |
150 |
42k6 |
M16 |
110 |
45 |
12h9 |
42k6 |
110 |
45 |
12h9 |
|
180M |
190 |
300 |
250h6 |
350 |
19 |
4 |
5 |
16 |
32 |
|
70 |
150 |
48k6 |
M16 |
110 |
51.5 |
14h9 |
48k6 |
110 |
51.5 |
14h9 |
|
180L |
190 |
300 |
250h6 |
350 |
19 |
4 |
5 |
16 |
32 |
|
70 |
150 |
48k6 |
M16 |
110 |
51.5 |
14h9 |
48k6 |
110 |
51.5 |
14h9 |
|
200LK,L |
210 |
350 |
300h6 |
400 |
19 |
4 |
5 |
15 |
32 |
|
80 |
165 |
55m6 |
M20 |
110 |
59 |
16h9 |
55m6 |
110 |
59 |
16h9 |
ТАБЛИЦА 4.

РИС 3. Габаритные и присоединительные размеры электродвигателя AVM с 71 по 200 габарит (фланец)
|
Габарит |
AC |
AD |
AG |
AG? |
AS |
AH |
L |
LM |
LC |
LD |
LD? |
LL |
M |
N |
P |
S |
Z |
T |
|---|---|---|---|---|---|---|---|---|---|---|---|---|---|---|---|---|---|---|
|
71MK,M |
142 |
171 |
130 |
128 |
50 |
- |
245 |
270 |
280 |
122 |
- |
100 |
130 |
110J6 |
160 |
10 |
4 |
3.5 |
|
80MK,M |
158 |
184 |
130 |
144 |
50 |
- |
278 |
305 |
325 |
126 |
- |
100 |
165 |
130J6 |
200 |
12 |
4 |
3.5 |
|
90LK,L |
180 |
192 |
130 |
152 |
50 |
- |
355 |
390 |
415 |
147 |
212 |
100 |
165 |
130J6 |
200 |
12 |
4 |
3.5 |
|
100LK,L |
200 |
205 |
130 |
165 |
50 |
- |
397 |
438 |
468 |
157 |
245 |
100 |
215 |
180J6 |
250 |
15 |
4 |
4 |
|
112M |
242 |
223 |
165 |
176 |
74 |
330 |
445 |
485 |
515 |
196 |
247 |
147 |
215 |
180J6 |
250 |
15 |
4 |
4 |
|
132S |
290 |
245 |
165 |
198 |
74 |
370 |
501 |
544 |
593 |
222 |
304 |
147 |
265 |
230J6 |
300 |
15 |
4 |
4 |
|
132M |
290 |
245 |
165 |
198 |
74 |
370 |
539 |
582 |
631 |
222 |
342 |
147 |
265 |
230J6 |
300 |
15 |
4 |
4 |
|
160M |
328 |
295 |
200 |
210 |
80 |
430 |
613 |
662 |
742 |
280 |
367 |
160 |
300 |
250h6 |
350 |
19 |
4 |
5 |
|
160L |
328 |
295 |
200 |
210 |
80 |
430 |
657 |
706 |
786 |
280 |
411 |
160 |
300 |
250h6 |
350 |
19 |
4 |
5 |
|
180M,L |
364 |
306 |
205 |
240 |
95 |
468 |
705 |
760 |
834 |
302 |
433 |
190 |
300 |
250h6 |
350 |
19 |
4 |
5 |
|
200LK,L |
405 |
338 |
240 |
260 |
105 |
511 |
780 |
850 |
903 |
306 |
483 |
210 |
350 |
300h6 |
400 |
19 |
4 |
5 |
ТАБЛИЦА 5.
|
Габарит |
XA |
LA |
X |
XB |
DB |
D |
E |
GA |
F |
DA |
DC |
EA |
GC |
FA |
|---|---|---|---|---|---|---|---|---|---|---|---|---|---|---|
|
71MK,M |
15 |
8 |
50 |
80 |
M5 |
14k6 |
30 |
16 |
5h9 |
14k6 |
M5 |
30 |
16 |
5h9 |
|
80MK,M |
25 |
10 |
50 |
80 |
M8 |
19k6 |
40 |
21.5 |
6h9 |
19k6 |
M8 |
40 |
21.5 |
6h9 |
|
90LK,L |
15 |
10 |
50 |
100 |
M8 |
24k6 |
50 |
27 |
8h9 |
24k6 |
M8 |
50 |
27 |
8h9 |
|
100LK,L |
30 |
11 |
50 |
100 |
M10 |
28k6 |
60 |
31 |
8h9 |
28k6 |
M10 |
60 |
31 |
8h9 |
|
112M |
15 |
11 |
55 |
130 |
M10 |
28k6 |
60 |
31 |
8h9 |
28k6 |
M10 |
60 |
31 |
8h9 |
|
132S |
40 |
14 |
55 |
130 |
M12 |
38k6 |
80 |
41 |
10h9 |
38k6 |
M12 |
80 |
41 |
10h9 |
|
132M |
40 |
14 |
55 |
130 |
M12 |
38k6 |
80 |
41 |
10h9 |
38k6 |
M12 |
80 |
41 |
10h9 |
|
160M |
32 |
13 |
60 |
150 |
M16 |
42k6 |
110 |
45 |
12h9 |
42k6 |
M16 |
110 |
45 |
12h9 |
|
160L |
32 |
13 |
60 |
150 |
M16 |
42k6 |
110 |
45 |
12h9 |
42k6 |
M16 |
110 |
45 |
12h9 |
|
180M,L |
32 |
16 |
70 |
150 |
M16 |
48k6 |
110 |
51.5 |
14h9 |
48k6 |
M16 |
110 |
51.5 |
14h9 |
|
200LK,L |
32 |
15 |
80 |
165 |
M20 |
55m6 |
110 |
59 |
16h9 |
55m6 |
M20 |
110 |
59 |
16h9 |
ТАБЛИЦА 6.